首页
产品中心
防尘罩
观察窗
套管
钣金件
仪表件
其它
高低压带电作业
关于我们
公司简介
新闻资讯
公司新闻
行业资讯
客户服务
联系我们
EN
获取报价
首页
关于我们
公司简介
产品中心
防尘罩
观察窗
套管
钣金件
仪表件
其它
高低压带电作业
新闻资讯
公司新闻
行业资讯
客户服务
联系我们
产品中心
首页
产品中心
其它
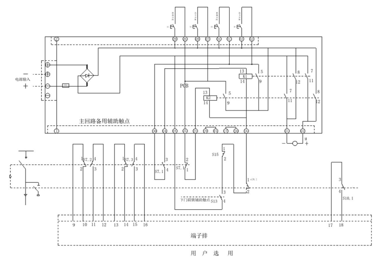
GY-C402 线路板C
材质:电子元器件
使用说明:充气柜C机构二次电动线路板。
推荐产品
GY-T111 下门联锁组件
查看详情
推荐产品
GY-T111 下门联锁组件
查看详情