首页
产品中心
防尘罩
观察窗
套管
钣金件
仪表件
其它
高低压带电作业
关于我们
公司简介
新闻资讯
公司新闻
行业资讯
客户服务
联系我们
EN
获取报价
首页
关于我们
公司简介
产品中心
防尘罩
观察窗
套管
钣金件
仪表件
其它
高低压带电作业
新闻资讯
公司新闻
行业资讯
客户服务
联系我们
产品中心
首页
产品中心
仪表件
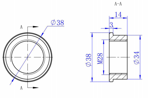
GY-T114-A 充气阀座
材质:不锈钢
使用说明:产品用于气箱的气压表安装固定螺母。
推荐产品
GY-T104 熔丝压板螺丝螺套
查看详情
推荐产品
GY-T104 熔丝压板螺丝螺套
查看详情