首页
产品中心
防尘罩
观察窗
套管
钣金件
仪表件
其它
高低压带电作业
关于我们
公司简介
新闻资讯
公司新闻
行业资讯
客户服务
联系我们
EN
获取报价
首页
关于我们
公司简介
产品中心
防尘罩
观察窗
套管
钣金件
仪表件
其它
高低压带电作业
新闻资讯
公司新闻
行业资讯
客户服务
联系我们
产品中心
首页
产品中心
防尘罩
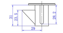
GY-S233 分合按钮防尘罩(带按钮)
材质:PC
使用说明:产品用于充气柜断路器机构按扭与防尘罩一体式。
推荐产品
GY-S204方形按钮防尘罩
查看详情
推荐产品
GY-S204方形按钮防尘罩
查看详情